

产品中心
隔膜泵系列

|
型号
|
流量
(m3/h) |
扬程
(m) |
出口压力
(kgf/cm2) |
吸程
(m) |
最大允
许能
过颗粒
直径
(mm) |
最大供气
压力
(kbf/cm2) |
最大供气
消耗量
(m3/min) |
材料
|
|||
|
铝合金
|
不锈钢
|
铸造铁
|
增强聚丙烯
|
||||||||
|
QBY-10
|
0~0.8
|
0~50
|
6
|
5
|
1
|
7
|
0.3
|
★
|
★
|
★
|
★
|
|
QBY-15
|
0~1
|
0~50
|
6
|
5
|
1
|
7
|
0.3
|
★
|
★
|
★
|
★
|
|
QBY-25
|
0~2.4
|
0~50
|
6
|
7
|
2.5
|
7
|
0.6
|
★
|
★
|
★
|
★
|
|
QBY-40
|
0~8
|
0~50
|
6
|
7
|
4.5
|
7
|
0.6
|
★
|
★
|
★
|
★
|
|
QBY-50
|
0~12
|
0~50
|
6
|
7
|
8
|
7
|
0.9
|
★
|
★
|
★
|
/
|
|
QBY-65
|
0~16
|
0~50
|
6
|
7
|
8
|
7
|
0.9
|
★
|
★
|
★
|
/
|
|
QBY-80
|
0~24
|
0~50
|
6
|
7
|
10
|
7
|
1.5
|
★
|
★
|
★
|
/
|
|
QBY-100
|
0~30
|
0~50
|
6
|
7
|
10
|
7
|
1.5
|
★
|
★
|
★
|
/
|

性能介绍
QBY气动隔膜泵既能抽送流动的液体,又能输送一些不易流动的介质,具有自吸泵、潜水泵、屏蔽泵、泥浆泵和杂质泵等瑜送机械的许多优点。
| 型号 |
流量 (m3/h) |
扬程 (m) |
出口压力 (kgf/cm2) |
吸程 (m) |
最大允 许能 过颗粒 直径 (mm) |
最大供气 压力 (kbf/cm2) |
最大供气 消耗量 (m3/min) |
材料 | |||
| 铝合金 | 不锈钢 | 铸造铁 | 增强聚丙烯 | ||||||||
| QBY-10 | 0~0.8 | 0~50 | 6 | 5 | 1 | 7 | 0.3 | ★ | ★ | ★ | ★ |
| QBY-15 | 0~1 | 0~50 | 6 | 5 | 1 | 7 | 0.3 | ★ | ★ | ★ | ★ |
| QBY-25 | 0~2.4 | 0~50 | 6 | 7 | 2.5 | 7 | 0.6 | ★ | ★ | ★ | ★ |
| QBY-40 | 0~8 | 0~50 | 6 | 7 | 4.5 | 7 | 0.6 | ★ | ★ | ★ | ★ |
| QBY-50 | 0~12 | 0~50 | 6 | 7 | 8 | 7 | 0.9 | ★ | ★ | ★ | / |
| QBY-65 | 0~16 | 0~50 | 6 | 7 | 8 | 7 | 0.9 | ★ | ★ | ★ | / |
| QBY-80 | 0~24 | 0~50 | 6 | 7 | 10 | 7 | 1.5 | ★ | ★ | ★ | / |
| QBY-100 | 0~30 | 0~50 | 6 | 7 | 10 | 7 | 1.5 | ★ | ★ | ★ | / |
| 隔膜品种 介质种类 | 丁睛橡胶 | 氯丁橡胶 | 氟橡胶 | 聚四氟乙烯 | 食品橡胶 |
| 发烟硝酸 | × | × | △ | △ | |
| 浓硝酸 | × | × | △ | △ | |
| 浓硫酸 | × | × | ○ | △ | |
| 浓盐酸 | × | △ | △ | △ | |
| 浓磷酸 | × | △ | △ | △ | |
| 浓醋酸 | × | × | × | △ | |
| 浓氢氧化钠 | ○ | ○ | △ | △ | |
| 无水氨 | △ | △ | △ | △ | |
| 稀硝酸 | × | × | ○ | △ | |
| 稀硫酸 | △ | △ | △ | △ | |
| 稀盐酸 | × | ○ | △ |
曲线图
结构图
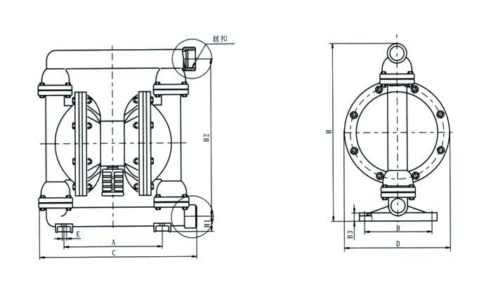
安装尺寸
|
型号
|
A
|
B
|
C
|
D
|
E
|
H1
|
H2
|
H3
|
G
|
丝扣
|
备注 |
|
QBY-10
|
120
|
58
|
210
|
140
|
10
|
40
|
255
|
12
|
270
|
3/8”
|
工程塑料、氟塑料 |
|
QBY-15
|
120
|
58
|
210
|
140
|
10
|
40
|
255
|
12
|
270
|
1/2”
|
|
|
QBY-10
|
120
|
0
|
210
|
140
|
12
|
30
|
220
|
10
|
240
|
3/8”
|
铸铁、不锈钢、铝合金 |
|
QBY-15
|
120
|
0
|
210
|
140
|
12
|
30
|
220
|
10
|
240
|
1/2”
|

|
型号
|
A
|
B
|
C
|
D
|
E
|
H1
|
H
|
丝扣
|
备注
|
|
QBY-10
|
160
|
0
|
200
|
160
|
10
|
40
|
260
|
3/8”
|
铸铁、不锈钢、铝合金
|
|
QBY-15
|
160
|
0
|
200
|
160
|
10
|
40
|
260
|
1/2”
|
|
|
QBY-20
|
180
|
155
|
300
|
200
|
10
|
40
|
400
|
3/4”
|
|
|
QBY-25
|
210
|
160
|
320
|
230
|
12
|
50
|
470
|
1”
|
|
|
QBY-40
|
210
|
160
|
320
|
230
|
12
|
50
|
470
|
11/2”
|

|
型号
|
A
|
B
|
D5
|
D6
|
C
|
H
|
H1
|
DN1
|
DN2
|
n-d1
|
n-d2
|
D3
|
D4
|
E
|
n-d4
|
进气口
外径
|
备注
|
|
QBY-25
|
215
|
150
|
100
|
100
|
380
|
530
|
70
|
25
|
25
|
4-Φ11
|
4-Φ11
|
75
|
75
|
55
|
4-Φ10
|
10
|
工氟
程塑
塑料料,
|
|
QBY-40
|
215
|
150
|
130
|
120
|
380
|
530
|
70
|
40
|
32
|
4-Φ13.5
|
4-Φ13.5
|
100
|
90
|
55
|
4-Φ10
|
10
|
|
|
QBY-25A
|
220
|
160
|
110
|
110
|
370
|
575
|
68
|
25
|
25
|
4-Φ11
|
4-Φ11
|
75
|
75
|
80
|
4-Φ12
|
10
|
铸
铁
、
不
锈
钢
、
铝
合
金
|
|
QBY-40A
|
220
|
160
|
130
|
120
|
370
|
575
|
68
|
40
|
32
|
4-Φ13.5
|
4-Φ13.5
|
100
|
90
|
80
|
4-Φ12
|
10
|
|
|
QBY-50
|
340
|
240
|
140
|
140
|
550
|
800
|
65
|
50
|
50
|
4-Φ13.5
|
4-Φ13.5
|
110
|
110
|
145
|
4-Φ17.5
|
12
|
|
|
QBY-65
|
340
|
240
|
160
|
160
|
550
|
800
|
70
|
65
|
65
|
4-Φ13.5
|
4-Φ13.5
|
130
|
130
|
145
|
4-Φ17.5
|
12
|
|
|
QBY-80
|
340
|
240
|
190
|
190
|
580
|
950
|
100
|
80
|
80
|
4-Φ17.5
|
4-Φ17.5
|
150
|
150
|
130
|
4-Φ17.5
|
14
|
|
|
QBY-100
|
340
|
240
|
210
|
190
|
580
|
950
|
100
|
100
|
80
|
4-Φ17.5
|
4-Φ17.5
|
170
|
170
|
130
|
4-Φ17.5
|
14
|
服务热线
13901872515